下面是你可以直接发布到网站的第1篇完整文章(已按 SEO + 教学结构写好)👇
🧠 什么是 RV32I?一篇文章让你真正看懂 CPU 的起点
答案就是:指令集(Instruction Set Architecture, ISA)
而在当今最火的开源架构里,最基础、最核心的一部分就是——RV32I。
🔍 一、RV32I 到底是什么?
RV32I 是 RISC-V 架构中的基础整数指令集。
我们把它拆开来看:
- RV → RISC-V(开源 CPU 架构)
- 32 → 32位(寄存器宽度是 32 bit)
- I → Integer(整数指令)
👉 合起来就是:
RV32I = 一个32位CPU最基本能理解的一套指令
⚙️ 二、为什么 RV32I 很重要?
因为它是:
✅ 1. 最小可用 CPU
只要实现 RV32I,你就已经拥有一个完整可运行的 CPU。
✅ 2. 一切扩展的基础
后续所有扩展都是在它之上:
- M → 乘法 / 除法
- F → 浮点
- C → 压缩指令
👉 没有 RV32I,就没有完整 RISC-V。
✅ 3. FPGA 入门的最佳选择
如果你想:
- 自己做一个 CPU
- 在 FPGA 上运行程序
👉 RV32I 是最好的起点
🧩 三、RV32I 包含哪些内容?
RV32I 并不复杂,它只定义了最基本的能力:
🟢 1. 算术运算
|
1 2 3 |
ADD x1, x2, x3 SUB x1, x2, x3 |
👉 做加法、减法
🟢 2. 逻辑运算
|
1 2 3 4 |
AND x1, x2, x3 OR x1, x2, x3 XOR x1, x2, x3 |
🟢 3. 内存访问
|
1 2 3 |
LW x1, 0(x2) SW x1, 0(x2) |
👉 从内存读数据 / 写数据
🟢 4. 分支与跳转
|
1 2 3 |
BEQ x1, x2, label JAL x1, label |
👉 控制程序流程
👉 总体来说:
RV32I ≈ 40~50条指令,但已经足够构建完整程序
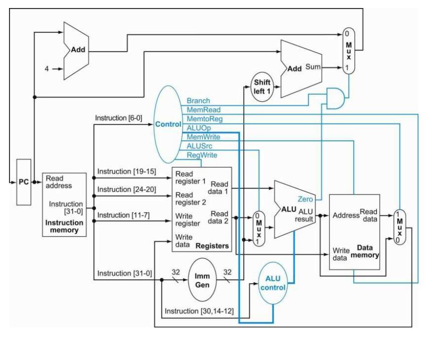
🏗️ 四、RV32I CPU 的基本结构






一个最简单的 RV32I CPU,通常包含:
- PC(程序计数器) → 当前执行位置
- Register File(寄存器堆) → 存数据
- ALU(算术逻辑单元) → 做计算
- Memory(内存) → 存程序和数据
- Control Unit(控制单元) → 指挥一切
🔄 五、CPU 是如何执行 RV32I 指令的?
每一条指令,都会经历这5个步骤:
1️⃣ Fetch(取指令)
从内存中读取指令
2️⃣ Decode(解码)
解析这条指令要干什么
3️⃣ Execute(执行)
ALU 开始计算
4️⃣ Memory(访存)
如果需要,访问内存
5️⃣ Write Back(写回)
把结果写回寄存器
👉 这就是经典流程:
Fetch → Decode → Execute → Memory → Write Back
💡 六、一个最简单的例子
|
1 2 |
ADD x3, x1, x2 |
执行过程:
- 读取 x1 和 x2
- ALU 相加
- 结果写入 x3
👉 看起来很简单,但这背后其实是完整的硬件电路在工作。
⚡ 七、最重要的认知转变
很多人学编程,会有一个误区:
代码是“一行一行执行的”
但在 CPU 里:
👉 真正发生的是电路在变化
- 数据在寄存器之间流动
- 控制信号在切换
- 时钟驱动整个系统
🔥 八、为什么你应该学习 RV32I?
如果你是:
- 软件工程师
- 想学 FPGA
- 对 CPU 感兴趣
那么 RV32I 会让你:
👉 从“写代码的人”
👉 变成“理解机器的人”
🚀 九、下一步你可以做什么?
在接下来的文章里,你将一步一步做到:
- 搭建寄存器堆
- 设计 ALU
- 连接 datapath
- 最终实现一个 RV32I CPU
甚至:
👉 在 FPGA 上运行自己的程序
📌 总结
👉 下一篇我们讲:
👉 《Register File 是什么?为什么 CPU 一定需要它》