如果说 CPU 是“大脑”,
那么 Register File 就是它的“短期记忆”。
在上一篇里,我们讲了 RV32I 是什么。但 CPU 真正“工作”的关键,不是指令本身,而是:
👉 数据放在哪里?怎么被快速读取?
答案就是:Register File(寄存器堆)
🔍 一、什么是 Register File?
Register File 是 CPU 内部的一组超高速存储单元。
👉 简单理解:
它是一小块“极快的存储”,专门给 CPU 自己用
🧩 在 RV32I 里:
- 一共有 32 个寄存器
- 命名为:
x0 ~ x31 - 每个寄存器:32位
⚠️ 特殊规则(非常重要)
|
1 2 |
x0 永远等于 0(不能被修改) |
👉 这点在硬件设计中必须强制保证
⚙️ 二、为什么 CPU 一定需要 Register File?
很多初学者会问:
👉 “为什么不用内存(RAM)就好了?”
答案是:速度差太多
🐢 内存 vs ⚡ 寄存器
| 类型 | 速度 | 用途 |
|---|---|---|
| Register | 极快 | CPU计算 |
| RAM | 中等 | 存数据 |
| Disk | 很慢 | 存文件 |
👉 CPU 每个周期都要运算:
如果每次都访问 RAM:
❌ 太慢
❌ 性能崩溃
👉 所以:
寄存器 = CPU的“随手可用数据”
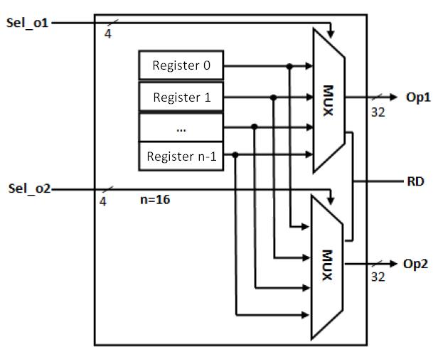
🏗️ 三、Register File 的结构







一个典型的 Register File 包含:
🟢 2个读端口(Read Ports)
👉 同时读取两个寄存器
例如:
|
1 2 |
ADD x3, x1, x2 |
需要读取:
- x1
- x2
🔵 1个写端口(Write Port)
👉 把结果写回寄存器
上面的例子:
- 写入 x3
👉 总结结构:
|
1 2 |
2 Read + 1 Write |
这是 CPU 的经典设计
🔄 四、一次完整操作过程
以这条指令为例:
|
1 2 |
ADD x3, x1, x2 |
执行流程:
1️⃣ 从寄存器堆读取 x1
2️⃣ 从寄存器堆读取 x2
3️⃣ ALU 相加
4️⃣ 结果写入 x3
👉 关键点:
寄存器是“数据流的起点和终点”
🧠 五、从软件思维 → 硬件思维
很多人写代码时会这样想:
|
1 2 |
c = a + b; |
但在 CPU 里,真正发生的是:
|
1 2 3 4 |
x1 → ALU x2 → ALU 结果 → x3 |
👉 没有“变量”,只有寄存器
⚡ 六、Verilog 实现(最小版本)
下面是一个最简 Register File 示例:
|
1 2 3 4 5 6 7 8 9 10 11 12 13 14 15 16 17 18 19 20 21 22 |
module regfile ( input clk, input we, // write enable input [4:0] rs1, rs2, rd, // register index input [31:0] wd, // write data output [31:0] rd1, rd2 // read data ); reg [31:0] regs [31:0]; // read (combinational) assign rd1 = (rs1 == 0) ? 0 : regs[rs1]; assign rd2 = (rs2 == 0) ? 0 : regs[rs2]; // write (sequential) always @(posedge clk) begin if (we && rd != 0) regs[rd] <= wd; end endmodule |
🔥 关键设计点:
x0强制为 0- 读是组合逻辑(立即输出)
- 写是时钟触发
🚨 七、常见错误(新手必踩)
❌ 忘记 x0 = 0
👉 会导致所有计算错误
❌ 读写时序搞错
👉 会出现数据不一致
❌ 写入冲突
👉 多写口设计错误
💡 八、为什么它是 CPU 最关键模块之一?
因为:
👉 所有计算都依赖它
- ALU 输入来自它
- 结果写回它
- 指令围绕它展开
👉 没有 Register File:
❌ CPU 无法计算
❌ 指令无法执行
🚀 九、下一步你将做什么?
下一篇我们进入核心:
👉 《ALU 是什么?CPU是如何真正“计算”的》
你将学会:
- 如何实现 ADD / SUB
- 如何设计 ALU
- 如何连接寄存器
📌 总结
- Register File 是 CPU 的高速数据存储
- RV32I 有 32 个寄存器
- 结构是:2读 + 1写
- 所有计算都围绕它展开
👉 一句话:
寄存器不是存数据的地方,而是“计算发生的地方”